电厂电站专用热电阻(偶)
产品分类:- 电 话:021-51311309 13671874402
- 邮 箱:sysales8@163.com
产品描述
一、概述:
电站专用热电偶(阻)适用于我国30万、60万千瓦等发电机组及辅机的测温需要,电站专用热电偶完全可替代进口,具有防震、耐压、使用寿命长,维修方便,保护管是采用深盲孔技术加工而成,端部不用焊接,提高了保护管的强度和使用寿命,铠装热电偶(阻)采用弹簧压着式结构,在运行中保护管与铠装热电偶(阻)测量端始终保持着良好的接触,抗震动,减少热响应时间,铠装热电偶测量端采用绝缘形式,能防止电磁干忧。
二、电站热电偶(阻)分类介绍:
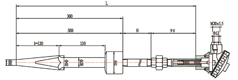
1、热套式热电偶(阻)
热套式热电偶(阻)主要用于测量锅炉或管道的蒸汽温度。为了抵御高温、高压和高流速的蒸汽冲击,采用约为100mm的置入深度,为了避免因置入深度不足带来的测温误差,又采用带三棱面的深盲孔整体加工保护管,筒形热套与主设备组合焊接方法,利用三棱面和热套内孔之间的间隙,使热套内充满高温介质,有效地增加了置入深度。


2、烟道风道热电偶(阻)
烟道、风道热电偶主要用于电站排烟温度测量。它的特点是采用较粗的保护管和大直径联接螺纹,以提高抗烟气冲刷和排烟机震动的能力,其测量端采用缩径式,以减小热响应时间。


3、高温高压热电偶
高温、高压热电偶其保护管采用焊接的方法与主设备联接、固定、密封。主要用来测量电厂管路的高温、高压蒸汽或水温。

4、中温中压热电偶
中温中压热电偶、热电阻其保护管采用焊接方式与主设备联接、固定、密封。主要用来测量电厂管路蒸汽或水温。



5、低温低压热电偶
低温低压热电偶、热电阻采用固定螺纹与主设备密封联接,主要用来测量低温和低压的蒸汽和水温。




